에이이씨 AEC MGN-16A-02 시험용 터보 스피드 센서
자동차 및 각종 산업용 소형 터보 컴프레서
● 특징 및 장점
• 자기장을 감지하여 회전측정 (관통 홀 불필요)
• 센서부 메탈 재질로 뛰어난 내 환경성
• 고응답 기능 (10,000rpm ~ 200,000rpm)
• WRC (World Rally Championship) 경주용 차량에 탑재 실적 있음
• TTL 출력 대응



문의 010 7574 9841
평일 오전9시 ~ 오후6시 입니다. (공휴일은 통화불가합니다)
부재중일시 전화나 카톡 남겨주시면 업무시간때 체크후 피드백 드리겠습니다.
● 특징 및 장점
•자기장을 감지하여 회전측정 (관통 홀 불필요)
• 센서부 메탈 재질로 뛰어난 내 환경성
• 고응답 기능 (10,000rpm ~ 200,000rpm)
• WRC (World Rally Championship) 경주용 차량에 탑재 실적 있음
• TTL 출력 대응
● 제품사양

● 시스템 특성
센서 MGN-16A-02

센서 케이블 PC-801-011

컨버터 MGN-01-05

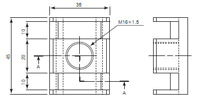
MGN-16A 용 고정 브라켓


에이이씨 AEC MGN-16A-02 시험용 터보 스피드 센서


문의 010 7574 9841
평일 오전9시 ~ 오후6시 입니다. (공휴일은 통화불가합니다)
부재중일시 전화나 카톡 남겨주시면 업무시간때 체크후 피드백 드리겠습니다.
● 특징 및 장점
•자기장을 감지하여 회전측정 (관통 홀 불필요)
• 센서부 메탈 재질로 뛰어난 내 환경성
• 고응답 기능 (10,000rpm ~ 200,000rpm)
• WRC (World Rally Championship) 경주용 차량에 탑재 실적 있음
• TTL 출력 대응
● 제품사양

● 시스템 특성
센서 MGN-16A-02

센서 케이블 PC-801-011

컨버터 MGN-01-05

MGN-16A 용 고정 브라켓


에이이씨 AEC MGN-16A-02 시험용 터보 스피드 센서
