캐패시터 테스터 PFX2400 시리즈는 전기 이중층 캐패시터 전용 방전 시험기입니다. 전압 정격은 단일 셀을 대상으로 5V. 5A/12ch, 35A/4ch, 70A/2ch, 140A/1ch 4 모델을 라인 업. 최근 전기 이중층 커패시터는 대용량화에 의해 하이브리드 전기 자동차 엔진 시동시 전력 원이나 가속시의 도움으로 이용되고 있으며, 자동차의 연비 향상과 배기의 질을 높이는 등 새로운 에너지의 하나로 보급 이 기대되고 있습니다. 캐패시터 테스터 PFX2400 시리즈는 전기 이중층 캐패시터의 보급 과제이다 "축전 기술"과 "전원 관리 (에너지 최적화)"에 관한 더 높은 수준의 전문적인 시험 요구에 부응합니다.



문의 010 7574 9841
평일 오전9시 ~ 오후6시 입니다. (공휴일은 통화불가합니다)
부재중일시 전화나 카톡 남겨주시면 업무시간때 체크후 피드백 드리겠습니다.

개요
캐패시터 테스터 PFX2400 시리즈는 전기 이중층 캐패시터 전용 방전 시험기입니다. 전압 정격은 단일 셀을 대상으로 5V. 5A/12ch, 35A/4ch, 70A/2ch, 140A/1ch 4 모델을 라인 업. 최근 전기 이중층 커패시터는 대용량화에 의해 하이브리드 전기 자동차 엔진 시동시 전력 원이나 가속시의 도움으로 이용되고 있으며, 자동차의 연비 향상과 배기의 질을 높이는 등 새로운 에너지의 하나로 보급 이 기대되고 있습니다. 캐패시터 테스터 PFX2400 시리즈는 전기 이중층 캐패시터의 보급 과제이다 "축전 기술"과 "전원 관리 (에너지 최적화)"에 관한 더 높은 수준의 전문적인 시험 요구에 부응합니다.
시스템 구성
PFX2400시리즈을 동작시키기 위해서는 전용 어플리케이션 소프트웨어(SD008-PFX2400)가 필수입니다.시스템 구성 시에는 본 제품과 어플리케이션 소프트웨어 외에 PC, 네트워크 허브, LAN 케이블, 부하 케이블(옵션)이 필요합니다.

어플리케이션 소프트웨어 SD008-PFX2400
SD008-PFX2400의 패키지에는 2개의 어플리케이션 소프트웨어가 포함됩니다.
1. CPChecker2400
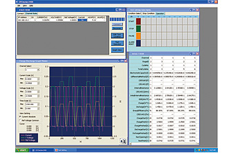
CPChecker2400 (Capacitor Performance Checker for 2400)은 캐패시터의 사이클시험, 전압 보지시험 및 충방전 효율시험의 시험조건을 작성해, 당사의 캐패시터 테스터PFX2400시리즈를 사용해 시험을 실행하는 어플리케이션 소프트웨어입니다. 조작패널이 각 채널로 독립하고 있으므로 채널 별로 달랐던 시험이 실행 가능합니다. 시험조건의 설정에서는 미리 JIS D 1401 및 JIS C 5160용의 선택지가 준비되어 있습니다. JIS에 근거한 캐패시터의 시험조건을 간단히 설정할 수 있습니다. 시험결과는 텍스트 파일(CSV형식)로 저장되므로 표 계산 소프트웨어 등에서 이용할 수 있습니다.
[장점]
*1 상태 변화 포인트나 데이터 변화량이 큰 구간에서 고속으로 등록하며, 데이터 변화량이 적은 구간에서는 데이터 등록 트리거ΔT로 등록해, 필요한 데이터를 낭비 없이 남길 수 있습니다.
*2 데이터 취득 간격에 의해 제어 가능한 채널 수는 변화합니다. 96채널동작이 가능한 기준으로서는 1사이클 10분, ΔV: 설정 전압의 0.5%, ΔI: 컷 전류의 0.5%, ΔT:10초가 됩니다. 상세사항은 당사 영업에 문의하십시오. 또한 스크롤이 없는 1 화면에서 표시할 수 있는 채널 수는 최대 12채널입니다.
2. IP Configuration Tool *3
IP Configuration Tool은 캐패시터 테스터 PFX2411의 IP 어드레스와 채널번호를 설정하는 소프트웨어입니다. PFX2400시리즈의 IP 어드레스와 채널번호를 다음과 같이 변경 가능합니다.
- IP 어드레스: 192.168.0.0 to 192.168.255.254
- 채널번호: 0 to 256
*3 PFX2400시리즈를 1대만 사용할 경우에는 IP Configuration Tool은 필요하지 않습니다. IP Configuration Tool을 사용하지 않을 경우에도 PFX2400시리즈의 IP 어드레스의 범위에 맞추어 CPChecker2400을 사용할 PC의 IP 어드레스와 서브 네트마스크를 설정할 필요가 있습니다.
라인 업
| 모델 | 사양 |
| PFX2411 | 생산중단 전기 이중층 캐패시터 시험용 12ch 테스터, 충방전 정격:0~5.0000V/0~5.0000A/25W, 각 채널은 완전히 독립, LAN에 의한 설정・조작・데이터 수집, 참조 전극의 전압 측정도 가능, 전용 어플리케이션 소프트웨어로 일괄관리, 1ms 또는 100ms 데이터 샘플링 |
| PFX2431 | 생산중단 전기 이중층 캐패시터 시험용 2ch 테스터, 충방전 정격:0~5.0000V/0~70.00A/350W, 각 채널은 완전히 독립, LAN에 의한 설정・조작・데이터 수집, 전용 어플리케이션 소프트웨어로 일괄관리, 1ms 또는 100ms 데이터 샘플링 |
| PFX2441 | 생산중단 전기 이중층 캐패시터 시험용 1ch 테스터, 충방전 정격:0~5.0000V/0~140.00A/700W, 각 채널은 완전히 독립, LAN에 의한 설정・조작・데이터 수집, 전용 어플리케이션 소프트웨어로 일괄관리, 1ms 또는 100ms 데이터 샘플링 |
옵션 (관련 제품)
SD008-PFX2400
PFX2400용 전용 어플리케이션 소프트웨어
CPChecker2400 (Capacitor Performance Checker for 2400)은 캐패시터의 사이클시험, 전압 보지시험 및 충방전 효율시험의 시험조건을 작성해, 당사의 캐패시터 테스터PFX2400시리즈를 사용해 시험을 실행하는 어플리케이션 소프트웨어입니다.

TL20-PFX
PFX2411캐퍼시터 테스터 시리즈용 옵션
PFX2411용 부하 케이블、케이블 길이 :7m

TL21-PFX
PFX2421캐퍼시터 테스터 시리즈용 옵션
PFX2421용 부하 케이블 、케이블 길이 :5m










문의 010 7574 9841
평일 오전9시 ~ 오후6시 입니다. (공휴일은 통화불가합니다)
부재중일시 전화나 카톡 남겨주시면 업무시간때 체크후 피드백 드리겠습니다.

개요
캐패시터 테스터 PFX2400 시리즈는 전기 이중층 캐패시터 전용 방전 시험기입니다. 전압 정격은 단일 셀을 대상으로 5V. 5A/12ch, 35A/4ch, 70A/2ch, 140A/1ch 4 모델을 라인 업. 최근 전기 이중층 커패시터는 대용량화에 의해 하이브리드 전기 자동차 엔진 시동시 전력 원이나 가속시의 도움으로 이용되고 있으며, 자동차의 연비 향상과 배기의 질을 높이는 등 새로운 에너지의 하나로 보급 이 기대되고 있습니다. 캐패시터 테스터 PFX2400 시리즈는 전기 이중층 캐패시터의 보급 과제이다 "축전 기술"과 "전원 관리 (에너지 최적화)"에 관한 더 높은 수준의 전문적인 시험 요구에 부응합니다.
시스템 구성
PFX2400시리즈을 동작시키기 위해서는 전용 어플리케이션 소프트웨어(SD008-PFX2400)가 필수입니다.시스템 구성 시에는 본 제품과 어플리케이션 소프트웨어 외에 PC, 네트워크 허브, LAN 케이블, 부하 케이블(옵션)이 필요합니다.

어플리케이션 소프트웨어 SD008-PFX2400
SD008-PFX2400의 패키지에는 2개의 어플리케이션 소프트웨어가 포함됩니다.
1. CPChecker2400
CPChecker2400 (Capacitor Performance Checker for 2400)은 캐패시터의 사이클시험, 전압 보지시험 및 충방전 효율시험의 시험조건을 작성해, 당사의 캐패시터 테스터PFX2400시리즈를 사용해 시험을 실행하는 어플리케이션 소프트웨어입니다. 조작패널이 각 채널로 독립하고 있으므로 채널 별로 달랐던 시험이 실행 가능합니다. 시험조건의 설정에서는 미리 JIS D 1401 및 JIS C 5160용의 선택지가 준비되어 있습니다. JIS에 근거한 캐패시터의 시험조건을 간단히 설정할 수 있습니다. 시험결과는 텍스트 파일(CSV형식)로 저장되므로 표 계산 소프트웨어 등에서 이용할 수 있습니다.
[장점]
*1 상태 변화 포인트나 데이터 변화량이 큰 구간에서 고속으로 등록하며, 데이터 변화량이 적은 구간에서는 데이터 등록 트리거ΔT로 등록해, 필요한 데이터를 낭비 없이 남길 수 있습니다.
*2 데이터 취득 간격에 의해 제어 가능한 채널 수는 변화합니다. 96채널동작이 가능한 기준으로서는 1사이클 10분, ΔV: 설정 전압의 0.5%, ΔI: 컷 전류의 0.5%, ΔT:10초가 됩니다. 상세사항은 당사 영업에 문의하십시오. 또한 스크롤이 없는 1 화면에서 표시할 수 있는 채널 수는 최대 12채널입니다.
2. IP Configuration Tool *3
IP Configuration Tool은 캐패시터 테스터 PFX2411의 IP 어드레스와 채널번호를 설정하는 소프트웨어입니다. PFX2400시리즈의 IP 어드레스와 채널번호를 다음과 같이 변경 가능합니다.
- IP 어드레스: 192.168.0.0 to 192.168.255.254
- 채널번호: 0 to 256
*3 PFX2400시리즈를 1대만 사용할 경우에는 IP Configuration Tool은 필요하지 않습니다. IP Configuration Tool을 사용하지 않을 경우에도 PFX2400시리즈의 IP 어드레스의 범위에 맞추어 CPChecker2400을 사용할 PC의 IP 어드레스와 서브 네트마스크를 설정할 필요가 있습니다.
라인 업
| 모델 | 사양 |
| PFX2411 | 생산중단 전기 이중층 캐패시터 시험용 12ch 테스터, 충방전 정격:0~5.0000V/0~5.0000A/25W, 각 채널은 완전히 독립, LAN에 의한 설정・조작・데이터 수집, 참조 전극의 전압 측정도 가능, 전용 어플리케이션 소프트웨어로 일괄관리, 1ms 또는 100ms 데이터 샘플링 |
| PFX2431 | 생산중단 전기 이중층 캐패시터 시험용 2ch 테스터, 충방전 정격:0~5.0000V/0~70.00A/350W, 각 채널은 완전히 독립, LAN에 의한 설정・조작・데이터 수집, 전용 어플리케이션 소프트웨어로 일괄관리, 1ms 또는 100ms 데이터 샘플링 |
| PFX2441 | 생산중단 전기 이중층 캐패시터 시험용 1ch 테스터, 충방전 정격:0~5.0000V/0~140.00A/700W, 각 채널은 완전히 독립, LAN에 의한 설정・조작・데이터 수집, 전용 어플리케이션 소프트웨어로 일괄관리, 1ms 또는 100ms 데이터 샘플링 |
옵션 (관련 제품)
SD008-PFX2400
PFX2400용 전용 어플리케이션 소프트웨어
CPChecker2400 (Capacitor Performance Checker for 2400)은 캐패시터의 사이클시험, 전압 보지시험 및 충방전 효율시험의 시험조건을 작성해, 당사의 캐패시터 테스터PFX2400시리즈를 사용해 시험을 실행하는 어플리케이션 소프트웨어입니다.

TL20-PFX
PFX2411캐퍼시터 테스터 시리즈용 옵션
PFX2411용 부하 케이블、케이블 길이 :7m

TL21-PFX
PFX2421캐퍼시터 테스터 시리즈용 옵션
PFX2421용 부하 케이블 、케이블 길이 :5m








