



문의 010 7574 9841
평일 오전9시 ~ 오후6시 입니다. (공휴일은 통화불가합니다)
부재중일시 전화나 카톡 남겨주시면 업무시간때 체크후 피드백 드리겠습니다.
그라프텍 ・ GRAPHTEC
B-513
로직 펄스 알람케이블
B-513 logic/alarm cable
B-513 그라프텍 로직알람케이블 4CH Input Output Cable
사용 가능 모델 : GL240, GL840M, GL840WV, GL2000, GL980, GL220, GL820, GL900
B-513 케이블을 사용하여 외부 출력을 내보낼 수 있습니다. (알람 발생 등)



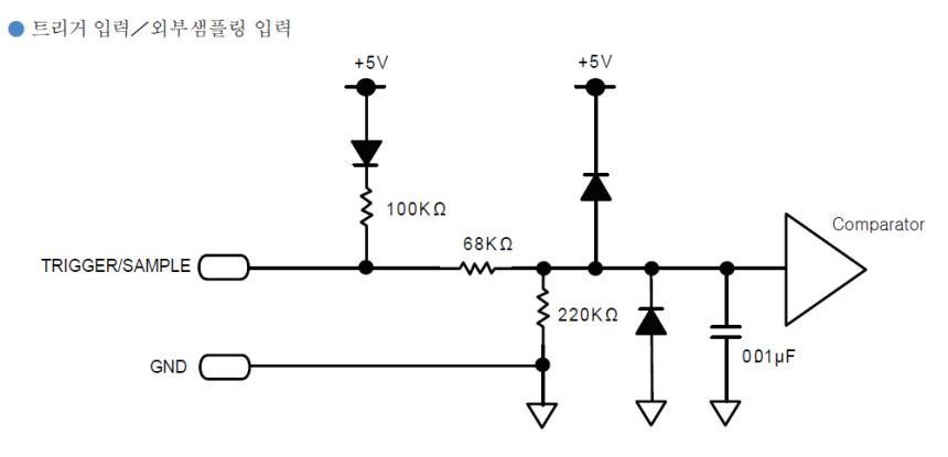
입출력 회로의 내부 등가회로





문의 010 7574 9841
평일 오전9시 ~ 오후6시 입니다. (공휴일은 통화불가합니다)
부재중일시 전화나 카톡 남겨주시면 업무시간때 체크후 피드백 드리겠습니다.
그라프텍 ・ GRAPHTEC
B-513
로직 펄스 알람케이블
B-513 logic/alarm cable
B-513 그라프텍 로직알람케이블 4CH Input Output Cable
사용 가능 모델 : GL240, GL840M, GL840WV, GL2000, GL980, GL220, GL820, GL900
B-513 케이블을 사용하여 외부 출력을 내보낼 수 있습니다. (알람 발생 등)



입출력 회로의 내부 등가회로


